Jiangsu Xingtai Hydraulic Manufacturing Co., Ltd. wurde 1992 gegründet und hat seinen Sitz in der Stadt Taizhou, Provinz Jiangsu, China. Das Unternehmen ist auf die Herstellung hydraulischer Drahtseilpressmaschinen, Drahtseilglüh- und -verjüngungsmaschinen, Aluminiumhülsen und Hebeklemmen spezialisiert. Xingtai Hydraulic ist mit fortschrittlichen Produktionsanlagen, starken technischen Fähigkeiten, maßgeblicher Prüfausrüstung und einem umfassenden Qualitätsmanagementsystem ausgestattet.
Die Stauchkomponenten der hydraulischen Maschinen von Xingtai werden aus hochfestem legiertem Stahl geschmiedet. Der Maschinenkörper wird aus einem einzigen Materialblock hergestellt, was strukturelle Integrität und lange Lebensdauer gewährleistet. Unsere Hydrauliksysteme verfügen über ein Ölversorgungssystem mit einer Zweidruckpumpe, das eine schnelle Auf- und Abwärtsbewegung ermöglicht und gleichzeitig einen reibungslosen Pressvorgang gewährleistet. Dieses Design verbessert die Pressqualität und Produktionseffizienz erheblich.
Xingtai-Hydraulikmaschinen wurden in zahlreiche Länder exportiert, darunter Großbritannien, Australien, die Niederlande, Lettland, Malaysia, Thailand, Indien, Russland, Botswana, Polen und andere.
Geleitet von der Philosophie „hohe Qualität, wettbewerbsfähiger Preis und dauerhaftes Engagement“ sind wir bestrebt, die Bedürfnisse unserer Kunden zu erfüllen und ihnen den besten Service zu bieten. Wir sind weiterhin bestrebt, sowohl bestehende als auch neue Kunden mit dem gleichen Maß an Exzellenz zu bedienen, während wir gemeinsam an der Gestaltung einer erfolgreichen Zukunft arbeiten
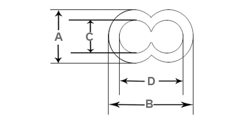
| Modus | Durchmesser des Drahtseils (mm) | Abmessungen der Aluminiumhülse (mm) | Länge (mm) | Gewicht (g/Stk) | |||
| A | B | C | D | ||||
| XTH-1/16“ | 1.6 | 4.37 | 6.35 | 1.96 | 4 | 9.6 | 0.41 |
| XTH-5/64“ | 2 | 5.56 | 7.95 | 2.39 | 4.8 | 9.6 | 0.73 |
| XTH-3/32“ | 2.4 | 7.06 | 10.26 | 3.3 | 6.5 | 12.7 | 1.45 |
| XTH-1/8“ | 3.2 | 8.71 | 12.7 | 3.96 | 7.9 | 15.9 | 2.9 |
| XTH-5/32“ | 4 | 9.53 | 14.3 | 4.75 | 9.5 | 17.5 | 3.63 |
| XTH-3/16“ | 5.1 | 11.2 | 16.9 | 5.66 | 11.4 | 25.4 | 7.17 |
| XTH-7/32“ | 5.6 | 12.7 | 19.1 | 6.35 | 12.7 | 27 | 10.07 |
| XTH-1/4“ | 6.4 | 13.61 | 20.8 | 7.37 | 14.6 | 28.6 | 11.43 |
| XTH-9/32“ | 7.1 | 14.27 | 22.35 | 7.92 | 16 | 30.2 | 12.81 |
| XTH-5/16“ | 8 | 17.45 | 26.19 | 9.53 | 18.3 | 31.7 | 20.41 |
| XTH-3/8“ | 9.6 | 19.05 | 29.36 | 11.13 | 21.4 | 36.5 | 29.53 |
| XTH-7/16" | 11.1 | 23.8 | 36.5 | 17.7 | 25.4 | 42.8 | 53.53 |
Die Aluminium-Sanduhrhülse ist eine präzisionsgefertigte Drahtseilarmatur, auch Sanduhrhülsen genannt, die aus nahtlosem Aluminium durch Extrusion und Bearbeitung für zuverlässige Leistung hergestellt wird. Seine ausgeprägte Sanduhrform bringt ihm seinen Namen ein und ist für das Handcrimpen mit mechanischen Werkzeugen optimiert —keine hydraulischen Pressen erforderlich—, was die Installation schnell und zugänglich macht.
Entwickelt für Aluminium, hochfesten/milden Stahl oder verzinktes Drahtseil (vermeiden Sie die Kombination mit Edelstahl; verwenden Sie stattdessen verzinkte Kupferhülsen). Jede Größe passt sich bestimmten Drahtdurchmessern an, um eine passgenaue Passform zu gewährleisten. Bei richtiger Stauchung mit einem Fingerhut (um die Kraft gleichmäßig zu verteilen und den Drahtverschleiß zu reduzieren) liefert es eine Abschlusseffizienz von 90% und schafft so eine dauerhafte, sichere Verbindung.
Aufgrund seiner Korrosionsbeständigkeit gedeiht es in Meeres-, Landwirtschafts-, Bau- und Bühnenbauumgebungen —auch bei Salzwassereinwirkung. Seine leichte und dennoch robuste Aluminiumkonstruktion sorgt dafür, dass Baugruppen unauffällig bleiben und keine Hindernisse für Winden oder Riemenscheiben entstehen.
Es sind maßgeschneiderte Größen erhältlich und es erfüllt die ISO 9001- und CE-Standards. Befolgen Sie aus Sicherheitsgründen die Stauchrichtlinien des Herstellers und überprüfen Sie dies mit einem Go/No-Go-Messgerät, insbesondere beim kritischen Heben. Eine langlebige, kostengünstige Wahl für das Spleißen und Verschließen von Drahtseilen.
English
русский
Français
Español
Português
Deutsch
عربى
Türk




