Jiangsu Xingtai Hydraulic Manufacturing Co., Ltd. wurde 1992 gegründet und hat seinen Sitz in der Stadt Taizhou, Provinz Jiangsu, China. Das Unternehmen ist auf die Herstellung hydraulischer Drahtseilpressmaschinen, Drahtseilglüh- und -verjüngungsmaschinen, Aluminiumhülsen und Hebeklemmen spezialisiert. Xingtai Hydraulic ist mit fortschrittlichen Produktionsanlagen, starken technischen Fähigkeiten, maßgeblicher Prüfausrüstung und einem umfassenden Qualitätsmanagementsystem ausgestattet.
Die Stauchkomponenten der hydraulischen Maschinen von Xingtai werden aus hochfestem legiertem Stahl geschmiedet. Der Maschinenkörper wird aus einem einzigen Materialblock hergestellt, was strukturelle Integrität und lange Lebensdauer gewährleistet. Unsere Hydrauliksysteme verfügen über ein Ölversorgungssystem mit einer Zweidruckpumpe, das eine schnelle Auf- und Abwärtsbewegung ermöglicht und gleichzeitig einen reibungslosen Pressvorgang gewährleistet. Dieses Design verbessert die Pressqualität und Produktionseffizienz erheblich.
Xingtai-Hydraulikmaschinen wurden in zahlreiche Länder exportiert, darunter Großbritannien, Australien, die Niederlande, Lettland, Malaysia, Thailand, Indien, Russland, Botswana, Polen und andere.
Geleitet von der Philosophie „hohe Qualität, wettbewerbsfähiger Preis und dauerhaftes Engagement“ sind wir bestrebt, die Bedürfnisse unserer Kunden zu erfüllen und ihnen den besten Service zu bieten. Wir sind weiterhin bestrebt, sowohl bestehende als auch neue Kunden mit dem gleichen Maß an Exzellenz zu bedienen, während wir gemeinsam an der Gestaltung einer erfolgreichen Zukunft arbeiten
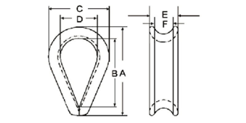
| Größe (mm) | Abmessungen (mm) | WT/PC (kg) | |||||
| A | B | c | D | E | F | ||
| 3 | 28 | 19 | 18.5 | 12 | 6 | 3 | 0.5 |
| 4 | 30 | 21 | 20.5 | 13 | 7 | 4 | 0.8 |
| 5 | 33 | 23 | 22.5 | 14 | 8 | 5 | 1 |
| 6 | 39 | 26 | 27 | 16 | 10 | 6 | 1.6 |
| 7 | 43 | 30 | 30 | 18 | 11 | 7 | 1.9 |
| 8 | 48 | 32 | 33 | 20 | 12 | 8 | 3 |
| 10 | 58 | 38 | 39 | 24 | 14 | 10 | 4.7 |
| 12 | 69 | 45 | 47 | 28 | 17 | 12 | 6.8 |
| 13 | 73 | 48 | 50 | 30 | 18 | 13 | 8 |
| 14 | 77 | 51 | 53 | 32 | 19 | 14 | 10 |
| 16 | 88 | 58 | 60 | 36 | 22 | 16 | 14.5 |
| 17 | 95 | 61 | 65 | 38 | 25 | 17 | 18 |
| 18 | 100 | 64 | 68 | 40 | 26 | 18 | 20 |
| 20 | 113 | 72 | 75 | 45 | 28 | 20 | 29 |
| 22 | 123 | 80 | 82 | 50 | 30 | 22 | 32 |
| 24 | 135 | 90 | 92 | 56 | 34 | 24 | 47 |
| 26 | 145 | 99 | 100 | 62 | 36 | 26 | 59 |
| 28 | 162 | 112 | 110 | 70 | 38 | 28 | 80 |
| 30 | 175 | 120 | 120 | 75 | 42 | 30 | 110 |
Drahtseilkauschen sind kleine, langlebige Beschläge, die die Ösen (Schlaufen) von Drahtseilen verstärken und so Verschleiß, Knicken und vorzeitigen Ausfall an Verbindungspunkten verhindern sollen. Sie bestehen aus korrosionsbeständigen Materialien wie verzinktem Stahl, Edelstahl oder Aluminium und eignen sich für Innen-, Außen-, Meeres- und Industrieumgebungen.
Kernfunktionen
Verschleiß verhindern: Sie schaffen eine glatte, starre Innenfläche für das Seilauge und vermeiden direkte Reibung zwischen Seil und Hardware (z. B. Schäkel, Haken), die zum Ausfransen führt.
Aufrechterhaltung der Seilintegrität: Durch die Erhaltung der natürlichen Form des Seils verhindern Fingerhüte das Knicken oder Quetschen —häufige Probleme, die die Seilfestigkeit mit der Zeit schwächen.
Belastungssicherheit erhöhen: Sie verteilen die Spannung gleichmäßig über das Auge und stellen sicher, dass das Seil Nennlasten ohne Spannungskonzentration an den Verbindungspunkten bewältigt.
Hauptfunktionen und Anwendungen
Materialoptionen: Verzinkter Stahl für den allgemeinen Gebrauch, Edelstahl für Salzwasser-/Feuchtigkeitseinstellungen und Aluminium für leichte Anforderungen.
Größenanpassung: Erhältlich in Größen (z. B. 1/8” bis 1”), um bestimmten Drahtseildurchmessern gerecht zu werden —für optimale Leistung immer mit der richtigen Größe kombinieren.
Häufige Verwendung: Ideal für Hebezeuge, Schiffstakelage, Bauwesen, Landwirtschaft und Heimwerkerprojekte (z. B. Sicherung von Bootsanlegern, Aufhängen schwerer Vorrichtungen).
Diese Fingerhüte lassen sich einfach mit Drahtseilklammern oder -stauchen installieren, verlängern die Lebensdauer des Seils und verringern Sicherheitsrisiken, was sie zu einer kostengünstigen Ergänzung für jede Drahtseilanordnung macht.
English
русский
Français
Español
Português
Deutsch
عربى
Türk




